公司简介
资质认证
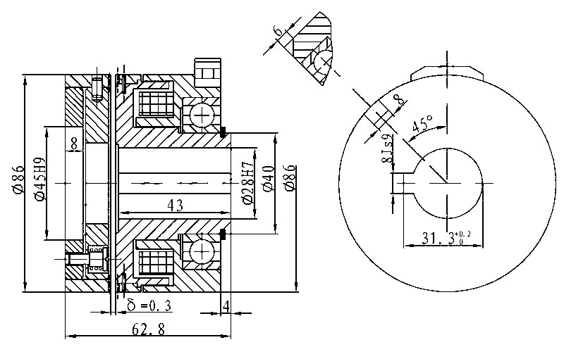
湿式多片电磁离合器
干式多片电磁离合器
牙嵌式电磁离合器
定位牙嵌式电磁离合器
失电牙嵌式电磁离合器
单片电磁离合(制动)器
电磁失电离合器
电磁失电制动器
电磁离合制动器
速通门、道闸专用离合器(制动器)
特殊订货
公司新闻
行业动态
天津市首达永恒离合器厂是一家专业生产电磁离合器、制动器企业,是国内起步较早的专业生产电磁制动器、离合器企业,已有三十多年研制开发电磁离合器历史。电 话:022-26992047 传 真:022-26990706
主要性能参数
规格Size
额定传递力矩Rated TransmittingTorqueN·m
额定电压:Rated VoltageDCV
线圈消耗功率 (20℃)Coil Consumptionpower(20℃)W
允许最高结合转速Max Engagement Revolution r/min
允许最高转速Allowed MaxRevolutionr/min
5A
50
24
21
36
4500