

DDL3系列单片电磁离合器只有一对摩擦付,它具有结构简单,安装方便,工作频率高,动作灵敏,无空载力矩,噪声低等特点,广泛应用于印刷,造纸,包装,医疗,建筑,纺织,船舶,办公机械,计算机外围设备,仪表,通讯等机械传动系统中完成离合、换向、变速、制动、定位等功能。
立即咨询 在线询价


DDL3系列单片电磁离合器只有一对摩擦付,它具有结构简单,安装方便,工作频率高,动作灵敏,无空载力矩,噪声低等特点,广泛应用于印刷,造纸,包装,医疗,建筑,纺织,船舶,办公机械,计算机外围设备,仪表,通讯等机械传动系统中完成离合、换向、变速、制动、定位等功能。
离合器在下列条件下能可靠的工作:
1.周围空气温度为-5℃--+40℃。
2.在无爆炸危险的介质中,且介质中无足以腐蚀金属和破坏绝缘的气体及导电尘埃。
3.离合器需在有润滑油的条件下工作。
4.离合器线圈的电压波动不超过+5%和-15%的额定电压。
5.离合器安装地点的海拔不超过2000米。
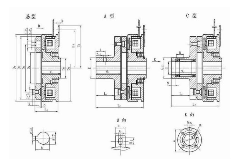
规格 | D1 | D2 | D3 | D4 | D5 | D6 | L1 | L2 | L3 | L4 | L5 | M1 | M2 | M3 | R | H1 | H2 | H3 |
1 | 85 | 80 | 60 | 41.5 | 25 | 85 | 34.5 | 54.5 | 63.5 | 16 | 25 | 30 | 20 | 29 | 2 | 65 | 57 | 10.5 |
2 | 106 | 100 | 76 | 51.5 | 30 | 106 | 39 | 64 | 74 | 20 | 30 | 33 | 25 | 35 | 2 | 70 | 62.5 | 11.5 |
4 | 133 | 125 | 95 | 61.5 | 40 | 133 | 44.5 | 74.5 | 90.5 | 24 | 40 | 37.5 | 30 | 46 | 2 | 85 | 77 | 11.5 |
8 | 169 | 160 | 120 | 79.5 | 55 | 169 | 50.5 | 88.5 | 107.5 | 3l | 50 | 41.5 | 38 | 57 | 3.2 | 112 | 100 | l8.5 |
16 | 212.5 | 200 | 158 | l00 | 70 | 212.5 | 62 | 104 | 13l | 33 | 60 | 51 | 42 | 69 | 3.5 | 140 | 125 | 20 |
25 | 253 | 241 | 185.5 | 120 | 85 | 253 | 70.5 | 120.5 | 147.5 | 38 | 65 | 58 | 50 | 77 | 4.5 | 156.5 | 141.5 | 24 |
| 规格 Size | p1 | p2 | v1 | v2 | v3 | X | E | T | t | G | O | N | S | U | W | m | ф | h | e | δ |
| 1 | 16 | 5.5 | 4.1 | 8 | 7.5 | 2.8 | 31 | 8 | M5 | 45 | 15 | 2 | 37 | 42-0.10 | 5 | 3-M4深6 | 15 | 17.30+0.1 | 5 | 0.2 |
| 2 | 16 | 6.5 | 5.1 | 10.5 | 9 | 3.8 | 41 | 10 | M5 | 55 | 20 | 3 | 47 | 51.5-0.10 | 6 | 4-M4深8 | 20 | 22.80+0.1 | 6 | 0.2 |
| 4 | 16 | 6.5 | 6.1 | 12 | 11 | 5 | 49 | 12 | M6 | 64 | 30 | 3 | 52 | 60-0.20 | 8 | 4-M4深8 | 25 | 28.30+0.2 | 8 | 0.3 |
| 8 | 25 | 8.5 | 8.1 | 15 | 14 | 6 | 65 | 15 | M8 | 175 | 35 | 3 | 62 | 71-0.20 | 8 | 6-M5深8 | 30 | 33.30+0.2 | 8 | 0.3 |
| 16 | 25 | 8.5 | 10.2 | 20 | 18.5 | 8 | 83 | 16 | M8 | 100 | 45 | 4 | 84 | 94.5-0.20 | 14 | 6-M6深12 | 45 | 48.80+0.2 | 14 | 0.5 |
| 25 | 30 | 12.5 | 10.2 | 20 | 18.5 | 8 | 100 | 18 | M10 | 110 | 50 | 6 | 100 | 104-0.20 | 16 | 6-M6深12 | 55 | 59.30+0.2 | 16 | 0.5 |

